Мы используем cookie для наилучшего представления нашего сайта. Подробнее об этом в Политике конфиденциальности.
Ок

Великий Новгород

Ваш город:
Великий Новгород (Новгородская область)?
Нет
Да
Каталог
Каталог Написать в WhatsApp
Мотоэкипировка

Электрика 2-х тактного ПЛМ HIDEA 5F

Электрика 2-х тактного ПЛМ HIDEA 5F в Санкт-Петербурге: актуальный каталог, цены, фото, описание. Купите электрика 2-х тактного плм hidea 5f в кредит – оформите заявку онлайн за 1 минуту!

Оригинальные запчасти

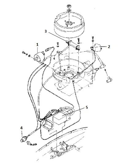
Артикул НАИМЕНОВАНИЕ Кол-во деталей в узле Примечание Наличие Цена Аналоги Фото
1 5F-01.03.05 Высоковольтная катушка зажигания, 5F-01.03.05

В наличии

1

В наличии

3 190

7 790

Купить
2 5F-01.03.02 Сэнсор

Под заказ

1

Под заказ

уточнить

1 420

Купить
3 5F-01.03.03 Катушка зажигания, лодочный мотор 5 л.с. 5F-01.03.03

В наличии

1

В наличии

920

3 350

Купить
4 15F-04.07.03 15F-04.07.03 Выключатель аварийной остановки

В наличии

1

В наличии

2 970

3 760

показать аналоги Купить
5 5F-01.03.07 Коммутатор

Под заказ

1

Под заказ

уточнить

7 650

Купить

Нулевая цена не означает отсутствие товара. Оформите заказ, и менеджер сообщит вам цену и наличие товара, предварительно запросив их у поставщика

Главная Магазины
Корзина0
Профиль