Мы используем cookie для наилучшего представления нашего сайта. Подробнее об этом в Политике конфиденциальности.
Ок

Великий Новгород

Ваш город:
Великий Новгород (Новгородская область)?
Нет
Да
Каталог
Каталог Написать в WhatsApp
Мотоэкипировка

Топливный насос 2-Х ТАКТНОГО ПЛМ MERCURY 50EO Серийный номер от 0B122930 до 0D000749

Топливный насос 2-Х ТАКТНОГО ПЛМ MERCURY 50EO Серийный номер от 0B122930 до 0D000749 в Санкт-Петербурге: актуальный каталог, цены, фото, описание. Купите топливный насос 2-х тактного плм mercury 50eo серийный номер от 0b122930 до 0d000749 в кредит – оформите заявку онлайн за 1 минуту!

Оригинальные запчасти

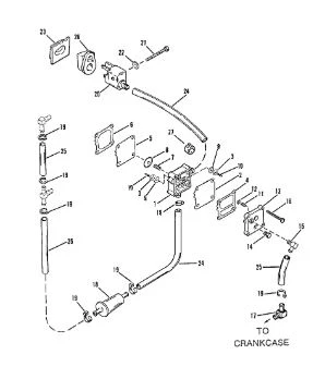
Артикул НАИМЕНОВАНИЕ Кол-во деталей в узле Примечание Наличие Цена Аналоги Фото
1 14360A78 Топливный насос (PUMP KIT-FUEL)

Под заказ

1

Под заказ

уточнить

Купить
2 857005A1 Ремкомплект бензонасоса Mercury - DIAPHRAM KIT QUICKSILVER

Под заказ

1

Под заказ

уточнить

4 820

Купить
3 987752 PLATE

Под заказ

1

Под заказ

уточнить

Купить
4 56800 Заглушка (PIPE PLUG)

Под заказ

1

Под заказ

уточнить

Купить
5 19688 FITTING, FUEL OUTLET

Под заказ

1

Под заказ

уточнить

Купить
6 90190 SCREW, FUEL PUMP

Под заказ

1

Под заказ

уточнить

60

Купить
7 16562 SCREW, (#12-24 x 1.50), FUEL PUMP

Под заказ

3

Под заказ

уточнить

Купить
8 64705 FITTING, FUEL PUMP (STRAIGHT)

Под заказ

1

Под заказ

уточнить

Купить
9 816296Q2 Топливный фильтр (FILTER-FUEL @3)

Под заказ

1

Под заказ

уточнить

Купить
10 15781A10 FUEL CONNECTOR METAL

Под заказ

1

Под заказ

уточнить

Купить
11 816856Q3 Топливный коннектор (CONNECTOR@2)

Под заказ

1

Под заказ

уточнить

Купить
12 76596 Болт (SCREW, SUPPORT BRACKET 1-1/4")

Под заказ

1

Под заказ

уточнить

Купить
13 69093 SCREW, AIR MANIFOLD

Под заказ

1

Под заказ

уточнить

Купить
14 89302 Шайба (WASHER, DECK BASE SCREW (NEW DESIGN))

Под заказ

1

Под заказ

уточнить

Купить
15 29245 Шайба (WASHER @10)

Под заказ

1

Под заказ

уточнить

Купить
16 17970 GROMMET, FUEL CONNECTOR (METAL)

Под заказ

1

Под заказ

уточнить

Купить
17 17969 GROMMET, FUEL CONNECTOR (PLASTIC)

Под заказ

1

Под заказ

уточнить

Купить
18 8M0108349 Шланг (HOSE-70 INCH)

Под заказ

2

Под заказ

уточнить

Купить
19 8M0108355 Шланг (HOSE-57 INCH)

Под заказ

3

Под заказ

уточнить

Купить
20 815849 GROMMET (60 EL)

Под заказ

1

Под заказ

уточнить

Купить
21 43779A87 GASKET SET

Под заказ

1

Под заказ

уточнить

Купить

Нулевая цена не означает отсутствие товара. Оформите заказ, и менеджер сообщит вам цену и наличие товара, предварительно запросив их у поставщика

Главная Магазины
Корзина0
Профиль