Мы используем cookie для наилучшего представления нашего сайта. Подробнее об этом в Политике конфиденциальности.
Ок

Великий Новгород

Ваш город:
Великий Новгород (Новгородская область)?
Нет
Да
Каталог
Каталог Написать в WhatsApp
Мотоэкипировка

Блок цилиндров и картер (Часть 1) 2-Х ТАКТНОГО ПЛМ MERCURY 50EO Серийный номер от 0G290585 до 0G589999

Блок цилиндров и картер (Часть 1) 2-Х ТАКТНОГО ПЛМ MERCURY 50EO Серийный номер от 0G290585 до 0G589999 в Санкт-Петербурге: актуальный каталог, цены, фото, описание. Купите блок цилиндров и картер (часть 1) 2-х тактного плм mercury 50eo серийный номер от 0g290585 до 0g589999 в кредит – оформите заявку онлайн за 1 минуту!

Оригинальные запчасти

Артикул НАИМЕНОВАНИЕ Кол-во деталей в узле Примечание Наличие Цена Аналоги Фото
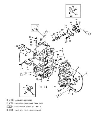
1 9755T15 CYLINDER BLOCK

Под заказ

1

Под заказ

уточнить

Купить
2 81742780 SCREW (M8 X 80 HEX FLANGE HEAD)

Под заказ

8

Под заказ

уточнить

Купить
3 81742730 Болт (SCREW (M8 X 30))

Под заказ

6

Под заказ

уточнить

Купить
4 426585 Перепускной клапан (VALVE-CHECK)

Под заказ

1

Под заказ

уточнить

Купить
5 892024122 Шланг обратного клапана (TUBING-20 FEET)

Под заказ

1

Под заказ

уточнить

Купить
6 426233 Клапан (CHECK VALVE)

Под заказ

1

Под заказ

уточнить

Купить
7 812888A1 Держатель (CARRIER ASSEMBLY)

Под заказ

2

Под заказ

уточнить

Купить
8 400212 Гайка (NUT)

Под заказ

1

Под заказ

уточнить

Купить
9 42942 CAP, NYLON-ADJUSTING

Под заказ

1

Под заказ

уточнить

Купить
10 43044 Штифт (PIN, Dowel - Without Hole (.375 x .625))

Под заказ

1

Под заказ

уточнить

Купить
11 8M0084653 Шпонка (PIN - DOWEL)

Под заказ

3

Под заказ

уточнить

Купить
12 18597 COVER

Под заказ

1

Под заказ

уточнить

Купить
13 81742750 SCREW, (M8 x 50)

Под заказ

2

Под заказ

уточнить

Купить
14 8128672 Прокладка (GASKET)

Под заказ

1

Под заказ

уточнить

Купить
15 8161949 Шпилька (STUD, M6 x 44)

Под заказ

2

Под заказ

уточнить

Купить
16 185981 PLUG, Pipe (.375-18)

Под заказ

4

Под заказ

уточнить

Купить
17 817430110 Болт (SCREW (M10 X 110))

Под заказ

6

Под заказ

уточнить

Купить
18 40011149 SCREW, (M8 x 25)

Под заказ

4

Под заказ

уточнить

Купить
19 12896 SCREW, SWITCH

Под заказ

1

Под заказ

уточнить

Купить
20 8128821 POPPET

Под заказ

1

Под заказ

уточнить

Купить
21 812887002 Диафрагма (DIAPHRAGM)

Под заказ

1

Под заказ

уточнить

Купить
22 94182 WASHER

Под заказ

1

Под заказ

уточнить

Купить
23 69570 SCREW, COVER

Под заказ

1

Под заказ

уточнить

Купить
24 90392 SPRING, POPPET VALVE

Под заказ

1

Под заказ

уточнить

Купить
25 42996 SPRING, COMPRESSION - POPPET VALVE

Под заказ

1

Под заказ

уточнить

Купить
26 14586 Термостат (THERMOSTAT-120)

Под заказ

1

Под заказ

уточнить

Купить
27 62386001 Прокладка (GASKET @4)

Под заказ

1

Под заказ

уточнить

Купить
28 812867A97 Набор прокладок (GASKET SET)

Под заказ

1

Под заказ

уточнить

Купить
29 811209T93 POWERHEAD ASSEMBLY COMPLETE (ALL)

Под заказ

1

Под заказ

уточнить

Купить

Нулевая цена не означает отсутствие товара. Оформите заказ, и менеджер сообщит вам цену и наличие товара, предварительно запросив их у поставщика

Главная Магазины
Корзина0
Профиль