Каталог
Каталог Написать в WhatsApp
Мотоэкипировка

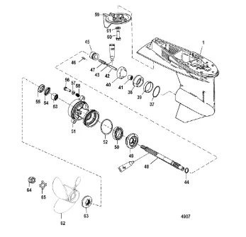
Корпус коробки передач, карданный вал - 1.64:1 передаточное число 2-Х ТАКТНОГО ПЛМ MERCURY 60 Серийный номер от 0P017000 до 0P325499

Корпус коробки передач, карданный вал - 1.64:1 передаточное число 2-Х ТАКТНОГО ПЛМ MERCURY 60 Серийный номер от 0P017000 до 0P325499 в Санкт-Петербурге: актуальный каталог, цены, фото, описание. Купите корпус коробки передач, карданный вал - 1.64:1 передаточное число 2-х тактного плм mercury 60 серийный номер от 0p017000 до 0p325499 в кредит – оформите заявку онлайн за 1 минуту!

Оригинальные запчасти

Артикул НАИМЕНОВАНИЕ Кол-во деталей в узле Примечание Наличие Цена Аналоги Фото
1 9760T23 Редуктор в сборе (GEAR HOUSING-SHOR)

Под заказ

1

Под заказ

уточнить

Купить
2 9760T25 Редуктор в сборе (GС COMP 60 2S LG)

Под заказ

1

Под заказ

уточнить

Купить
3 9760T28 GEAR HOUSING ASSEMBLY, Complete - 3.44 Inch/87.37 mm Torpedo Diameter

Под заказ

1

Под заказ

уточнить

Купить
4 9760T42 Редуктор (GEAR HOUSING)

Под заказ

1

Под заказ

уточнить

Купить
5 8M0063263 Кольцо регулировочное (shim set)

Под заказ

1

Под заказ

уточнить

Купить
6 8M0103476 Подшипник (BEARING KIT)

Под заказ

1

Под заказ

уточнить

Купить
7 813693T1 Шестерня (GEAR ASSY-FORWARD)

Под заказ

1

Под заказ

уточнить

Купить
8 21739 Подшипник (BEARING)

Под заказ

1

Под заказ

уточнить

Купить
9 8129291 Копир (CAM-FOLLOWER)

Под заказ

1

Под заказ

уточнить

Купить
10 20843 Направляющий подпятник (SLIDE)

Под заказ

1

Под заказ

уточнить

Купить
11 38114 Пружина (SPRING)

Под заказ

1

Под заказ

уточнить

Купить
12 813697T Шестерня сцепления (CLUTCH)

Под заказ

1

Под заказ

уточнить

Купить
13 38113 *** Шпонка (PIN-CROSS@2)

Под заказ

1

Под заказ

уточнить

Купить
14 815418 Пружина (SPRING)

Под заказ

1

Под заказ

уточнить

Купить
15 14493 Гребной вал (PROPSHAFT)

Под заказ

1

Под заказ

уточнить

Купить
16 813695T Шестерня (GEAR-REVERSE)

Под заказ

1

Под заказ

уточнить

Купить
17 20839T Подшипник (BEARING-BALL)

Под заказ

1

Под заказ

уточнить

Купить
18 19291A3 Корпус несущего подшипника (carrier assy)

Под заказ

1

Под заказ

уточнить

Купить
19 815460 Резиновое кольцо (O RING)

Под заказ

1

Под заказ

уточнить

Купить
20 21700 Подшипник (BEARING)

Под заказ

1

Под заказ

уточнить

Купить
21 69188 Сальник (SEAL)

Под заказ

1

Под заказ

уточнить

Купить
22 69189 Сальник (SEAL)

Под заказ

1

Под заказ

уточнить

Купить
23 85594030 Болт М8х30 (SCREW)

Под заказ

2

Под заказ

уточнить

Купить
24 855941 Шайба (WASHER)

Под заказ

2

Под заказ

уточнить

Купить
25 8227731 Вставка (INSERT)

Под заказ

2

Под заказ

уточнить

Купить
26 17264T2 Тример цинковый (trim tab)

Под заказ

1

Под заказ

уточнить

Купить
27 4000377 Болт (SCREW)

Под заказ

1

Под заказ

уточнить

Купить
28 856774 Шайба (WASHER)

Под заказ

1

Под заказ

уточнить

Купить
29 73345A1 Упорная шайба (THRUST WASHER)

Под заказ

1

Под заказ

уточнить

Купить
30 69578Q1 Крепление гребного винта (PROP NUT KIT@2)

Под заказ

1

Под заказ

уточнить

Купить
31 76281Q Шайба (TAB WASHER@2)

Под заказ

1

Под заказ

уточнить

Купить
32 812867A97 Набор прокладок (GASKET SET)

Под заказ

1

Под заказ

уточнить

Купить
33 814669A2 Набор сальников (SEAL KIT-G/H)

Под заказ

1

Под заказ

уточнить

Купить

Нулевая цена не означает отсутствие товара. Оформите заказ, и менеджер сообщит вам цену и наличие товара, предварительно запросив их у поставщика

Главная Магазины
Корзина0
Профиль